Hi all,
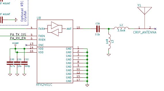
The Crazyflie2.0 Rev.C schematic for the RF stage of the RFX2401C is significantly different from the suggested circuit.
Does his affect the performance in any way? If not, on what basis was the C-L-L network chosen?
Here's what the RFX2401C suggests:
And here's what the crazyflie 2.0 shows:
Any help would be highly appreciated.
Thanks!
RFX2401C Schematic difference
Re: RFX2401C Schematic difference
And this is what the datasheet for the antenna suggests:
So basically, the CF2 Rev.C doesn't match any of the suggested RF biasing :/
Any ideas, anyone?
Any ideas, anyone?
Re: RFX2401C Schematic difference
Hi,
The circuit matches the documentation of the antenna. The exact component values have been tuned specifically for the Crazyflie design (using a prototype and a Network Analyser).
The circuit matches the documentation of the antenna. The exact component values have been tuned specifically for the Crazyflie design (using a prototype and a Network Analyser).
Re: RFX2401C Schematic difference
Aah! that's exactly the answer I was hoping for 
Thanks arnaud!
Thanks arnaud!